1.Material of valve body and disc are all adopted QT450-10, with level-3 spheroidization rate, over 10% elongation, 450Mpa tensile strength, mechanical performance is fully up to standard. It is not easy to be cracked.
2. Solid valve body, same diameter but with heavier weight compared with other manufacturers.
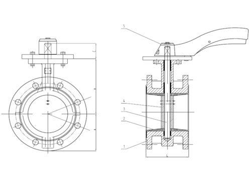
3. Standard EPDM rubber seat enable the valves have super stable and reliable resilience. No leakage after opening and closing more than 10,000 times.
4. The external surface of the valve adopts electrostatic powder thermal spray coating process, the thickness of the spray is up to 250μm, the valve body is heated at 200°C for 3 hours, and the powder is cured at 180°C for 2 hours. After natural cooling, the surface adhesion is doubled compared with ordinary powder, which is more environmentally friendly and weather resistant. Ensure that colour of valve body does not fade for 36 months.
5. The handle is designed with a thick aluminum handle, which is beautiful and durable.
6. Introducing the PE heat shrinkable packaging process which usually used for electronic products. Each product is individually packaged with a heat shrinkable film, and a desiccant is placed to isolate the air and dust. Conducive to storage, to avoid product corrosion caused by moisture.
7. Each product has its own independent QR code identification from the accessories to the finished product. The unique ID identification number ensures that the product can be traced back.
8. The standard intelligent measuring equipment integrates standard data measurement and pressure detection. Each inspection report is automatically generated. Each data and report is kept for 5 years. Ensure that the factory pass rate is 100%.
9.Pango brand product quality is covered by China Pacific Insurance with two million dollars. Two years warranty, pay two back if one bad within two years. Any quality problems of the product itself, we will pay without conditions.







